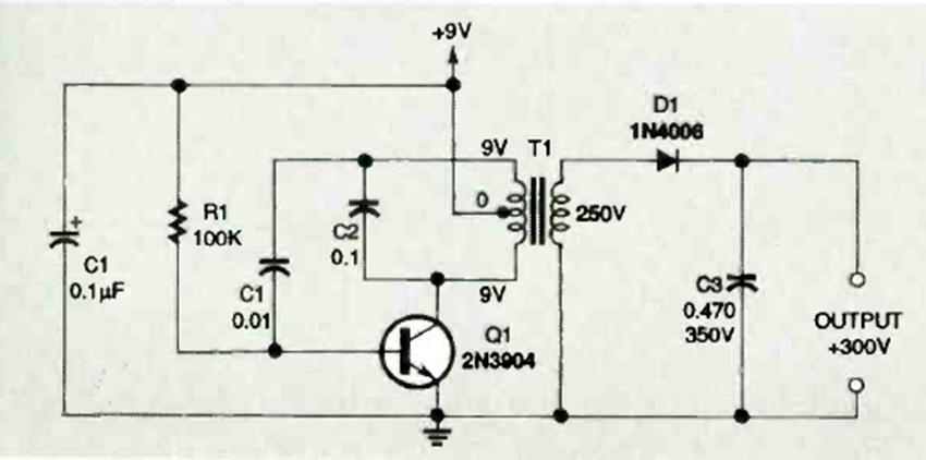
Este inversor de voltaje utiliza un pequeño transformador. El circuito fue encontrado en la edición de abril de 1995 de la revista Electronics Now. La corriente de salida es muy baja.
El circuito mostrado en la figura 1 es ideal para obtener una tensión regulada de 13,6 V para...
Este generador de audio que produce señales tanto rectangulares como senoidales fue encontrado en una...
Al conectar este circuito en paralelo con el altavoz de un sistema de sonido, el LED parpadeará al ritmo...