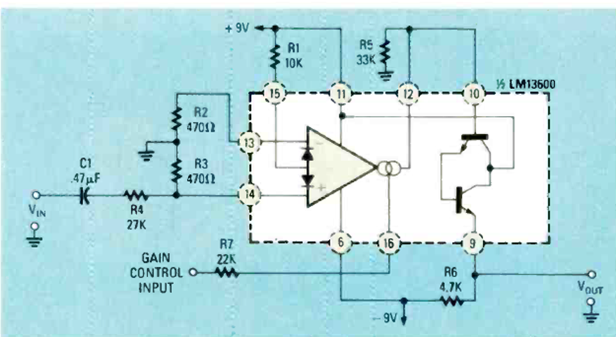
Este VCA se encontró en la revista Radio Electronics de julio de 1988. Utiliza un amplificador operacional OTA y su ganancia se ajusta mediante la tensión en la entrada de ganancia.
Este oscilador produce una señal rectangular en el rango de 100 Hz a 1 kHz pero con el cambio del...
Este circuito fue obtenido en una publicación de 1980, pero puede montarse aún hoy con facilidad, pues...
La frecuencia de la señal rectangular producida por este oscilador depende de la cantidad de luz...