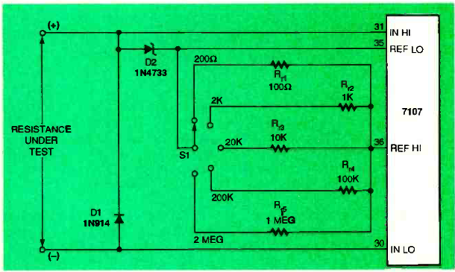
El circuito que se muestra es de la revista Electronics Now de noviembre de 1996. El circuito básico está en los 3 anteriores de esta sección. El circuito mide resistencias de hasta 2 M ohms.
Este oscilador produce una señal rectangular en el rango de 100 Hz a 1 kHz pero con el cambio del...
Este circuito fue obtenido en una publicación de 1980, pero puede montarse aún hoy con facilidad, pues...
La frecuencia de la señal rectangular producida por este oscilador depende de la cantidad de luz...