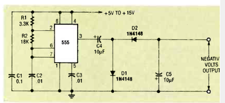
Este circuito inversor de polaridad para voltajes de hasta aproximadamente -12 V se encontró en la revista Radio Electronics de diciembre de 1992. La corriente es de unos pocos mA
.
Este circuito se puede ajustar para disparar y producir un sonido cuando la luz en el LDR se corta...
Este oscilador Hartley experimental produce señales en el rango de 500 kHz a 1,5 MHz, sirviendo para...
Describimos un simple temporizador o temporizador que puede encender o apagar un aparato eléctrico o...