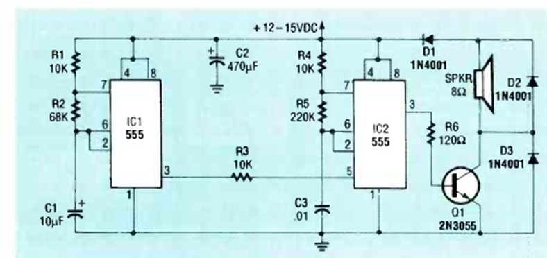
Encontramos este circuito de alarma en una revista de Radio Electronics de julio de 1990. El transistor de potencia debe estar equipado con un disipador de calor.
Este oscilador produce una señal rectangular en el rango de 100 Hz a 1 kHz pero con el cambio del...
Este circuito fue obtenido en una publicación de 1980, pero puede montarse aún hoy con facilidad, pues...
La frecuencia de la señal rectangular producida por este oscilador depende de la cantidad de luz...