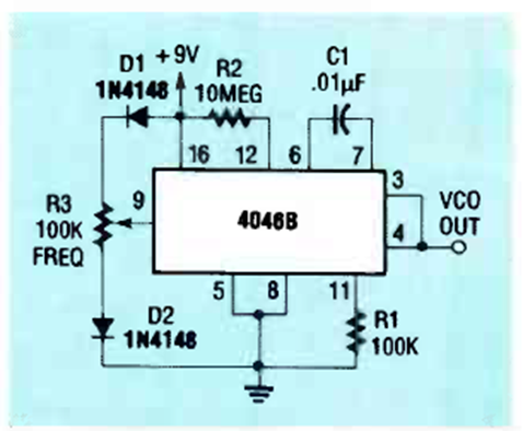
Este VCO con PLL 4046 genera señales de 0 a 1,5 kHz. El circuito es de una Radio Electrónica de diciembre de 1989. El condensador C1 se puede cambiar para otros rangos de frecuencia.

Este VCO con PLL 4046 genera señales de 0 a 1,5 kHz. El circuito es de una Radio Electrónica de diciembre de 1989. El condensador C1 se puede cambiar para otros rangos de frecuencia.
