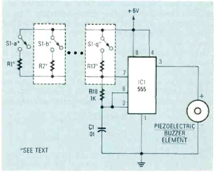
Este interesante circuito para montaje SMD apareció en la edición de noviembre de 1987 de la revista Radio Electronics. Los fonones se generan mediante resistores seleccionadas que se colocan en el conjunto.
Este oscilador produce una señal rectangular en el rango de 100 Hz a 1 kHz pero con el cambio del...
Este circuito fue obtenido en una publicación de 1980, pero puede montarse aún hoy con facilidad, pues...
La frecuencia de la señal rectangular producida por este oscilador depende de la cantidad de luz...