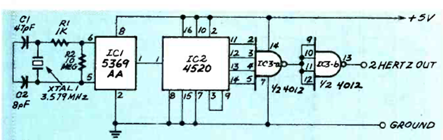
Este circuito de cristal CMNOS genera una señal de 2 Hz. Lo encontramos en la edición de octubre de 1994 de la revista Electronics Now. La señal de salida es rectangular.
Este circuito se puede ajustar para disparar y producir un sonido cuando la luz en el LDR se corta...
Este oscilador Hartley experimental produce señales en el rango de 500 kHz a 1,5 MHz, sirviendo para...
Describimos un simple temporizador o temporizador que puede encender o apagar un aparato eléctrico o...