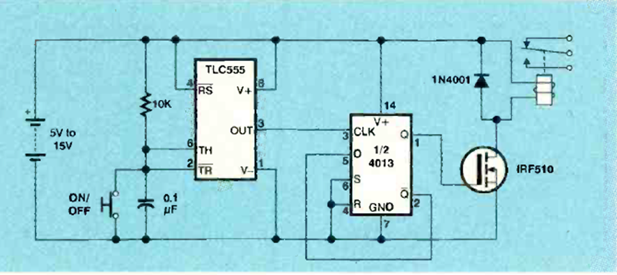
Este circuito biestable que acciona un relé con un pulsador fue encontrado en la edición pp6 del 1 de marzo de la revista Electronics Now. Se puede utilizar un bipolar común con una resistencia de 1k en la base en lugar del FET.
Este circuito se puede ajustar para disparar y producir un sonido cuando la luz en el LDR se corta...
Este oscilador Hartley experimental produce señales en el rango de 500 kHz a 1,5 MHz, sirviendo para...
Describimos un simple temporizador o temporizador que puede encender o apagar un aparato eléctrico o...