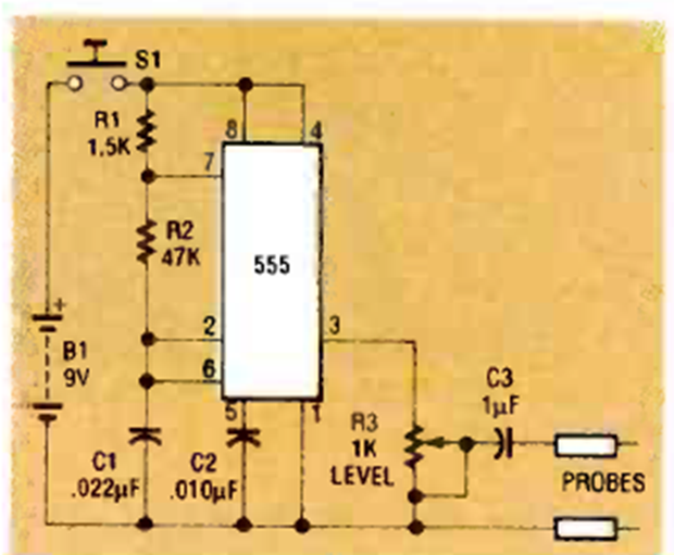
Esta aplicación del 555 fue encontrada en la revista Radio Electronics de noviembre de 1992. La frecuencia de la señal generada, que es rectangular, está determinada por C1.

Esta aplicación del 555 fue encontrada en la revista Radio Electronics de noviembre de 1992. La frecuencia de la señal generada, que es rectangular, está determinada por C1.
