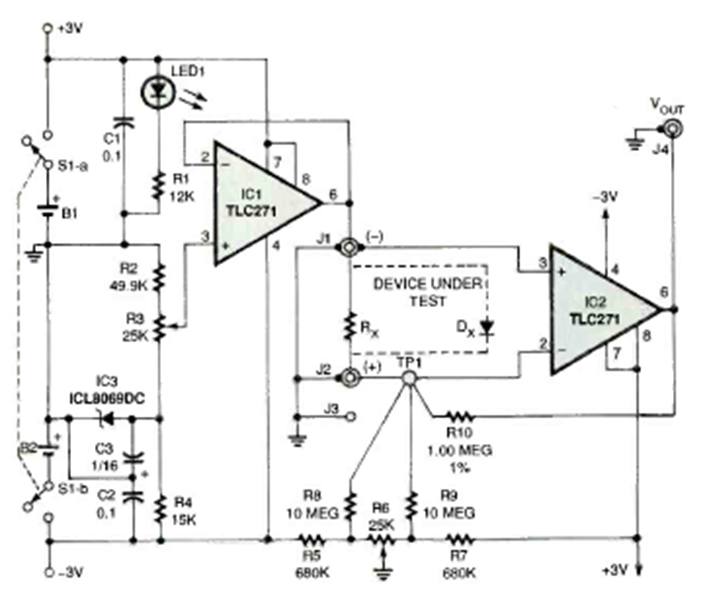
Con este circuito es posible agregar una escala de conductancia a un multímetro común. El circuito fue encontrado en la edición de febrero de 1997 de la revista Electronics Now.
Cuando alguien que ingresa a una ubicación abre uno de los sensores conectados a la puerta SOR, el...
¿Qué tal montar un intercomunicador secreto para conversar con su hermano, vecino o compañero sin que...
Este circuito detecta cuando la temperatura de un congelador, mostrador frigorífico o incluso un...