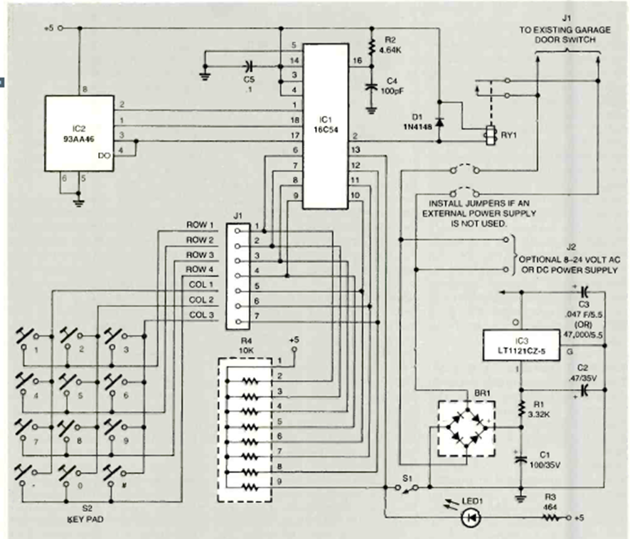
Encontramos este circuito con código clave en la edición de enero de 1999 de la revista Electronics Now. Algunos de los componentes son circuitos integrados de esa época.
La frecuencia máxima de este oscilador, en el caso de 100 kHz, depende del funcionamiento utilizado. La...
A falta de un foto-transistor o de una foto-diodo en una aplicación de emergencia o incluso para...
No es necesario hablar de la utilidad de un inyector de señales para los que saben cómo usar este...