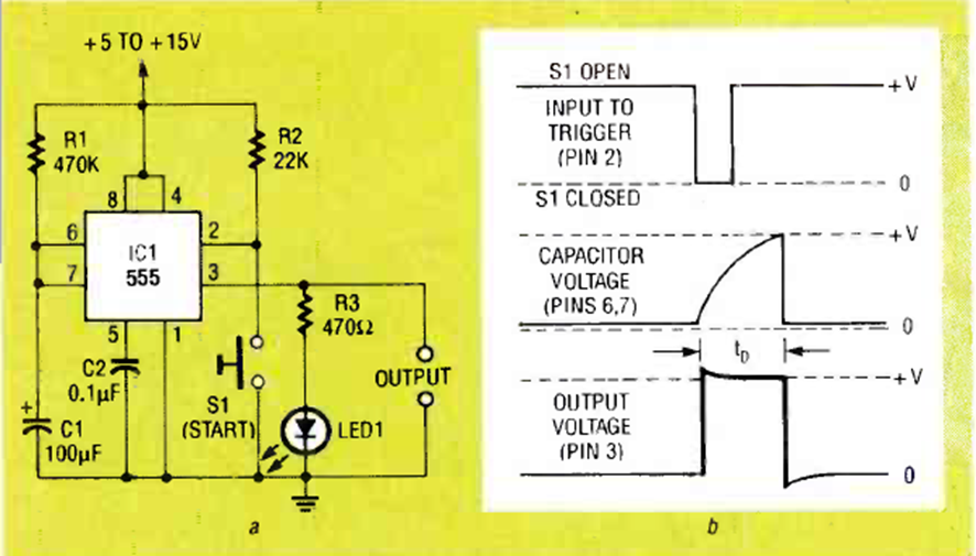
En un artículo de Radio Electronics de septiembre de 1992 encontramos este circuito básico 555 utilizado para generar tiempos fijos. El capacitor C1 y la resistencia R1 determinan el tiempo. El circuito controla un LED.
La idea de este proyecto es tener una cajita con resistores de valores estandarizados y...
Presentamos un circuito experimental con sólo dos transistores el cual, alimentado por pilas puede...
Un viejo transformador de salida sacado de alguna radio transistorizada antigua que ya no funciona es...