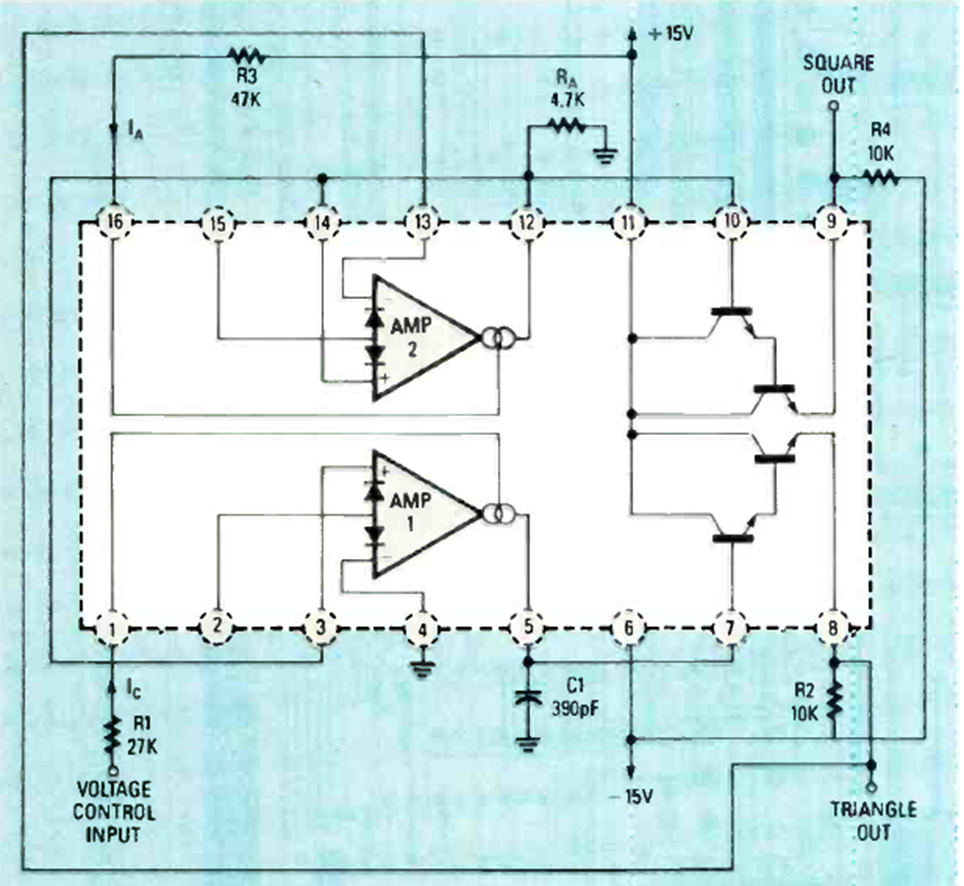
Encontramos este circuito en la edición de julio de 1988 de la revista Radio Electronics. Las frecuencias las proporciona el capacitor. C1 y la entrada de tensión se realiza en el pino 1.
La frecuencia máxima de este oscilador, en el caso de 100 kHz, depende del funcionamiento utilizado. La...
A falta de un foto-transistor o de una foto-diodo en una aplicación de emergencia o incluso para...
No es necesario hablar de la utilidad de un inyector de señales para los que saben cómo usar este...