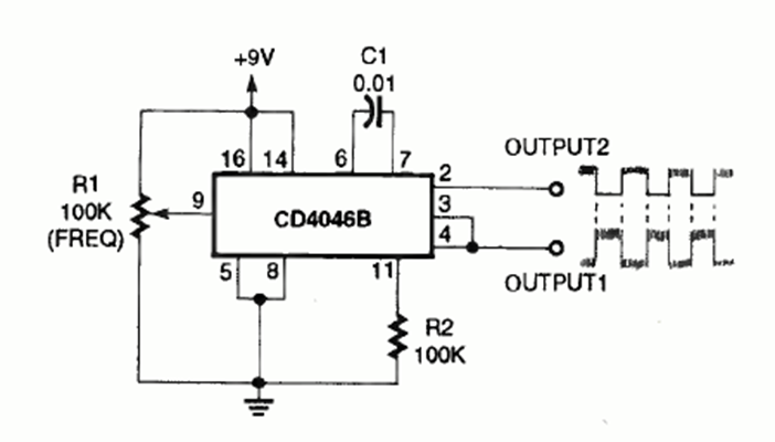
Este circuito fue encontrado en la edición de agosto de 1994 de la revista Electronics Now. El 4046 es poco común en estos días y el rango de frecuencia está dado por C1.
La frecuencia máxima de este oscilador, en el caso de 100 kHz, depende del funcionamiento utilizado. La...
A falta de un foto-transistor o de una foto-diodo en una aplicación de emergencia o incluso para...
No es necesario hablar de la utilidad de un inyector de señales para los que saben cómo usar este...