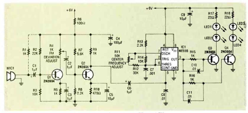
Este circuito fue encontrado en la revista Radio Electronics de diciembre de 1992. El alcance depende de las capacidades ópticas y también de las condiciones climáticas.
La frecuencia máxima de este oscilador, en el caso de 100 kHz, depende del funcionamiento utilizado. La...
A falta de un foto-transistor o de una foto-diodo en una aplicación de emergencia o incluso para...
No es necesario hablar de la utilidad de un inyector de señales para los que saben cómo usar este...