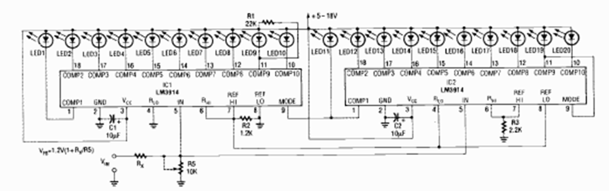
Este circuito tiene una escala de 0 a 2,56 V, pero se puede variar cambiando los valores de los componentes según la fórmula dada en el diagrama. Lo encontramos en la revista Radio Electronics de marzo de 1992.
Se presenta una prueba simple de transistores NPN y PNP que, además de decir si el componente está bien,...
Si usted necesita un circuito para producir un tono continuo en un bocadillo o cápsula...
Cuando un pulso de luz incide en el LDR, este circuito dispara un temporizador monoestable 555 que acciona...