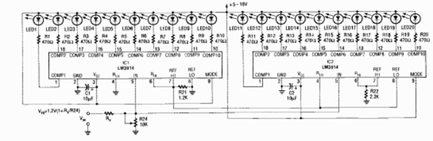
Este circuito es una alternativa al circuito anterior. Lo encontramos en el mismo artículo de la revista Radio Electronics de marzo de 1992. Los circuitos integrados son los LM3914.
Monte un conjunto de lámparas de neón en un objeto decorativo y conecte el circuito en la red de...
En el oscilador mostrado en la figura 1, la frecuencia de operación depende de los componentes de la...
Este proyecto sirve para mostrar cómo funcionan las usinas de energía eléctrica, convirtiendo energía...