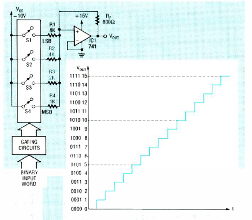
Este circuito convertidor de digital a analógico puede utilizar cualquier circuito integrado de conmutación digital. El circuito es de una revista Radio Electronics de julio de 1991.
Monte un conjunto de lámparas de neón en un objeto decorativo y conecte el circuito en la red de...
En el oscilador mostrado en la figura 1, la frecuencia de operación depende de los componentes de la...
Este proyecto sirve para mostrar cómo funcionan las usinas de energía eléctrica, convirtiendo energía...