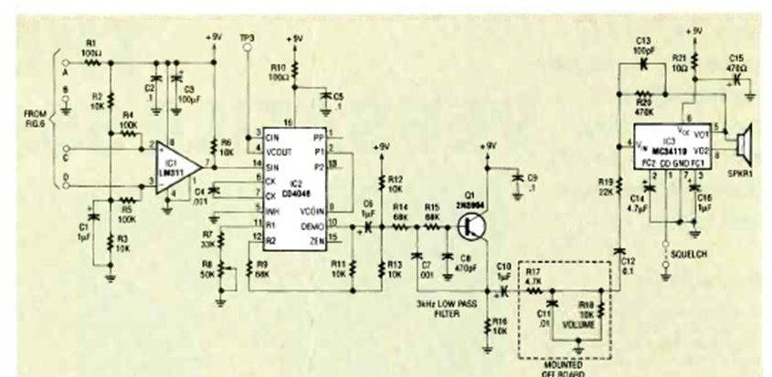
Este circuito funciona con los dos anteriores demodulando las señales moduladas FM capturadas. El circuito es de la revista Radio Electronics, diciembre de 1992.
Este control utiliza dos transistores y puede controlar motores de corriente continua de 3 a 15 V...
Esta es una de las más tradicionales experiencias de electroquímica y puede ser hecha con mucha...
El temporizador que presentamos tiene su ajuste de tiempo hecho a través de un potenciómetro de 1...