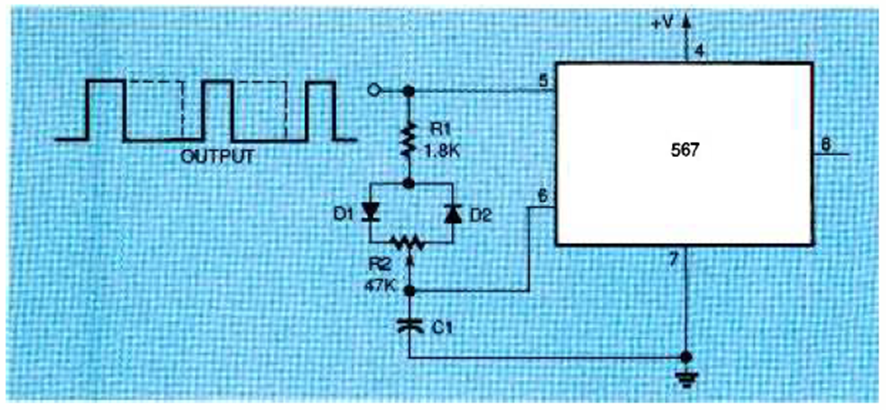
Este circuito generador de espaciador variable se encontró en la edición de diciembre de 1994 de la revista Electronics Now. La frecuencia depende de C1 y puede alcanzar un máximo de 200 kHz.
Monte un conjunto de lámparas de neón en un objeto decorativo y conecte el circuito en la red de...
En el oscilador mostrado en la figura 1, la frecuencia de operación depende de los componentes de la...
Este proyecto sirve para mostrar cómo funcionan las usinas de energía eléctrica, convirtiendo energía...