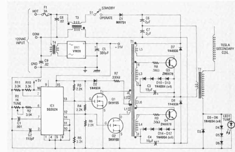
Este circuito es uno de los muchos que tenemos en nuestra sección. Fue tomado del libro Electronics Experimenter Jandbook de 1993. L1 tiene 10 vueltas y L2 tiene 1.000 vueltas en un tubo de PVC o cartón de 1 a 2 pulgadas.
Monte un conjunto de lámparas de neón en un objeto decorativo y conecte el circuito en la red de...
En el oscilador mostrado en la figura 1, la frecuencia de operación depende de los componentes de la...
Este proyecto sirve para mostrar cómo funcionan las usinas de energía eléctrica, convirtiendo energía...