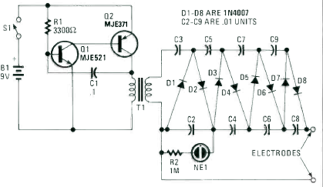
Esta defensa electrónica fue encontrada en el número especial de 1990 de la revista Radio Electronics Experimenter. Genera una tensión de unos pocos cientos de volts.
Lo que describimos es un pequeño móvil que funciona con pilas comunes. El circuito consiste en un...
Cuando aprieta el gatillo (S1) y el relé abre y cierra los contactos rápidamente produciendo un ruido...
En los estudios de ciencias del primer grado y de física del segundo grado se describe un aparato...