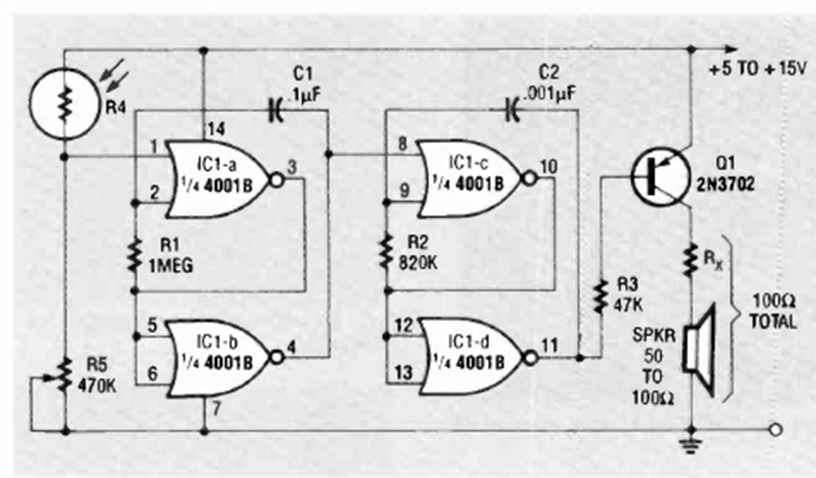
Este circuito de alarma se encontró en la edición de julio de 1992 de la revista Radio Electronics. El circuito utiliza una pequeña etapa de potencia para el altavoz y tiene un ajuste de sensibilidad en R5.
Monte un conjunto de lámparas de neón en un objeto decorativo y conecte el circuito en la red de...
En el oscilador mostrado en la figura 1, la frecuencia de operación depende de los componentes de la...
Este proyecto sirve para mostrar cómo funcionan las usinas de energía eléctrica, convirtiendo energía...