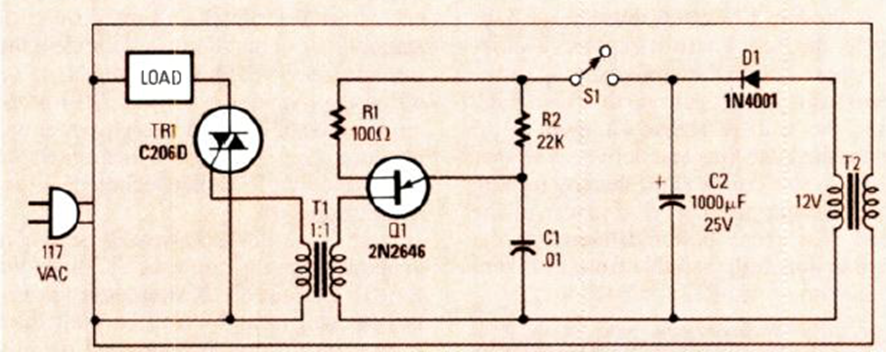
Este circuito es uno de los muchos de su tipo que se pueden encontrar en este sitio. Esto es de Radio Electronics de septiembre de 1987. El triac debe controlarse según la carga.
Monte un conjunto de lámparas de neón en un objeto decorativo y conecte el circuito en la red de...
En el oscilador mostrado en la figura 1, la frecuencia de operación depende de los componentes de la...
Este proyecto sirve para mostrar cómo funcionan las usinas de energía eléctrica, convirtiendo energía...