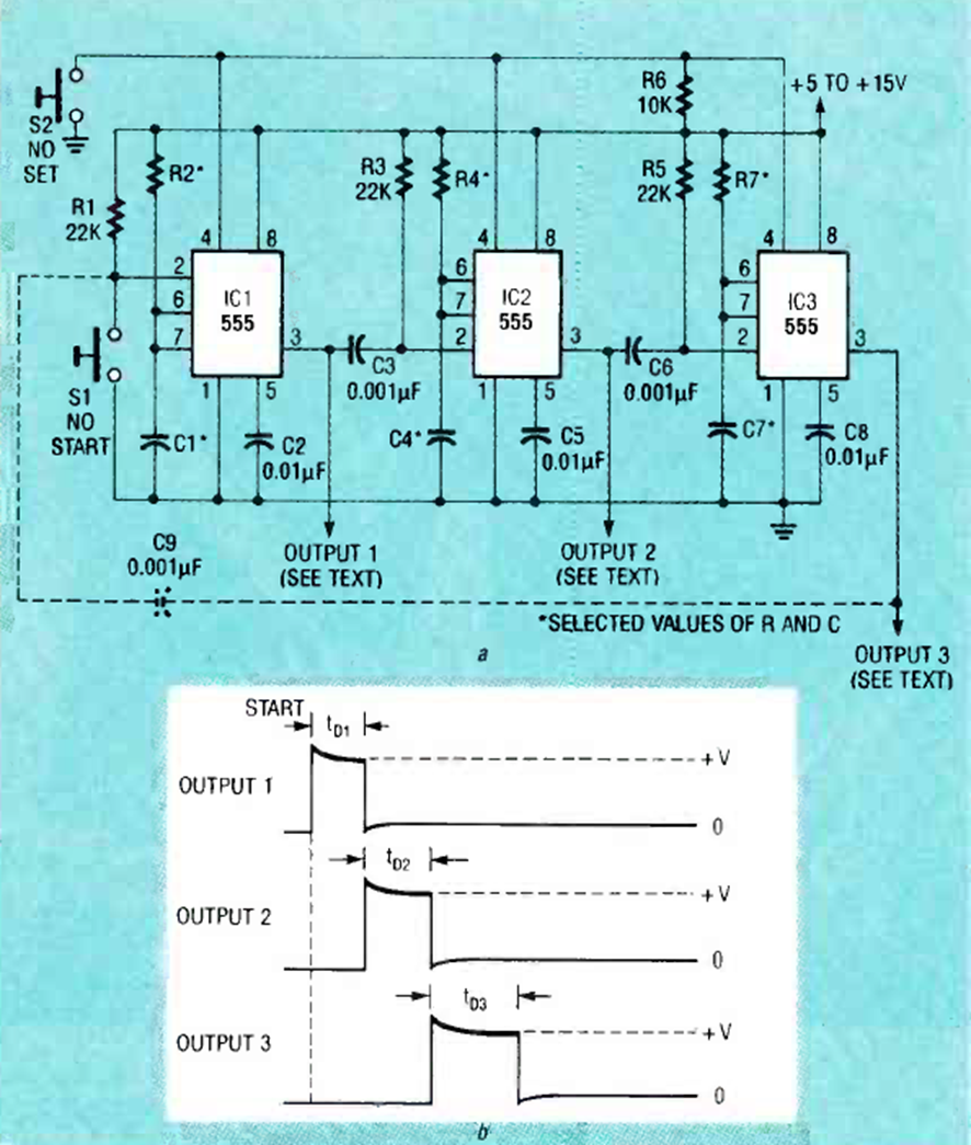
Este interesante circuito que genera pulsos retardados se encontró en la revista Radio Electronics de septiembre de 1992. Los tiempos se pueden modificar seleccionando los valores adecuados de C1, C4 y C7.
Monte un conjunto de lámparas de neón en un objeto decorativo y conecte el circuito en la red de...
En el oscilador mostrado en la figura 1, la frecuencia de operación depende de los componentes de la...
Este proyecto sirve para mostrar cómo funcionan las usinas de energía eléctrica, convirtiendo energía...