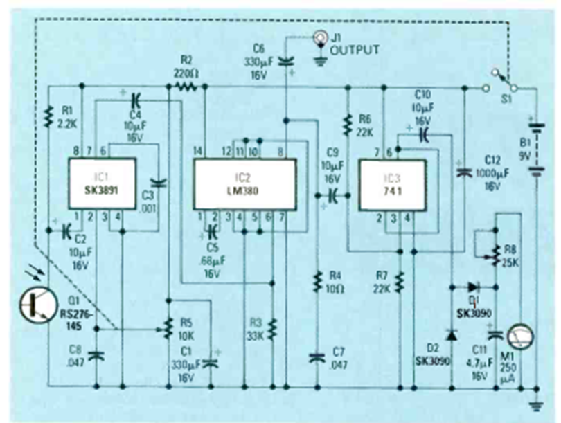
Este circuito recibe las señales moduladas reflejadas por un láser en el cristal de una ventana, permitiendo escuchar conversaciones. El circuito es de un proyecto de la revista Radio Electronics de octubre de 1987.
Lo que describimos es un pequeño móvil que funciona con pilas comunes. El circuito consiste en un...
Cuando aprieta el gatillo (S1) y el relé abre y cierra los contactos rápidamente produciendo un ruido...
En los estudios de ciencias del primer grado y de física del segundo grado se describe un aparato...