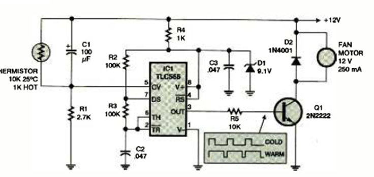
Encontrado en la revista Electronics Now de febrero de 1997, este circuito controla motores según el transistor utilizado. Para el transistor indicado, la corriente máxima es de 200 mA.
Lo que describimos es un pequeño móvil que funciona con pilas comunes. El circuito consiste en un...
Cuando aprieta el gatillo (S1) y el relé abre y cierra los contactos rápidamente produciendo un ruido...
En los estudios de ciencias del primer grado y de física del segundo grado se describe un aparato...