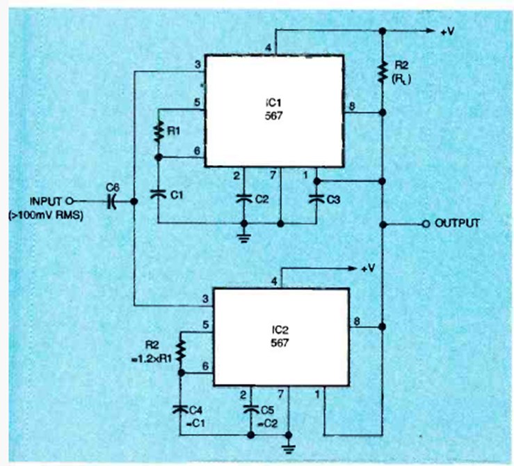
Este decodificador de dos tonos tiene un ancho de banda del 24%. El circuito es de un Electronics Now de 1994. Los componentes sin valor determinan la frecuencia reconocida.
El circuito anterior puede ser controlado por la luz si utilizamos el LDR como sensor. Se trata de...
Este reforzador de señales permite mejorar la recepción de su radito de ondas medias y cortas (no...
Este circuito hace un LED bicolor o dos LEDs de colores diferentes parpadean alternativamente, a una velocidad...