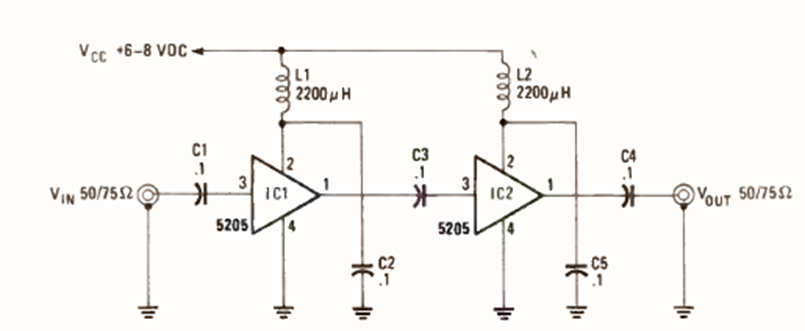
Utilizando el circuito integrado NE5205, este circuito fue encontrado en la revista Radio Electronics de mayo de 1987. Puede amplificar señales de hasta 450 MHz.
Monte un conjunto de lámparas de neón en un objeto decorativo y conecte el circuito en la red de...
En el oscilador mostrado en la figura 1, la frecuencia de operación depende de los componentes de la...
Este proyecto sirve para mostrar cómo funcionan las usinas de energía eléctrica, convirtiendo energía...