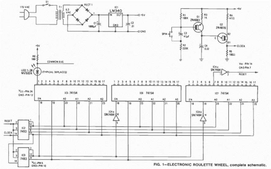
Este juego con circuitos lógicos digitales fue encontrado en la revista Radio Electronics de diciembre de 1976. El circuito incluye la fuente de alimentación que acciona un conjunto de LED.
Monte un conjunto de lámparas de neón en un objeto decorativo y conecte el circuito en la red de...
En el oscilador mostrado en la figura 1, la frecuencia de operación depende de los componentes de la...
Este proyecto sirve para mostrar cómo funcionan las usinas de energía eléctrica, convirtiendo energía...