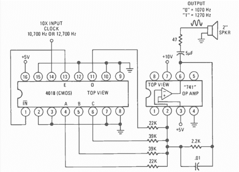
Este generador CMOS con el 4018 se encontró en la revista Radio Electronics de noviembre de 1976. Utiliza un 741 op como amplificador de audio.
Este proyecto experimental didáctico muestra cómo es posible implementar con opto-acopladores un flip-flop...
Los pequeños buzzers piezoeléctricos (cerámicos) no poseen mucha potencia sonora, siendo indicados para...
Este oscilador TTL utiliza un resonador cerámico como elemento de fijación de la frecuencia. El...