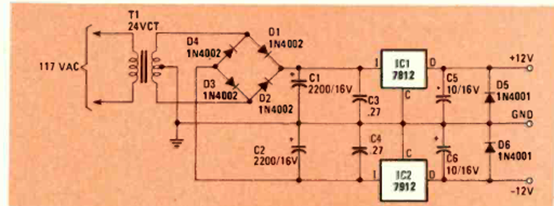
Esta fuente simétrica aparece en nuestra sección en muchas versiones. Esto es de la revista Radio Electronics de julio de 1984. Los circuitos integrados deben estar equipados con un disipador de calor. La tensión es 12 + 12 V y la corriente es 1 A.
Lo que describimos es un pequeño móvil que funciona con pilas comunes. El circuito consiste en un...
Cuando aprieta el gatillo (S1) y el relé abre y cierra los contactos rápidamente produciendo un ruido...
En los estudios de ciencias del primer grado y de física del segundo grado se describe un aparato...