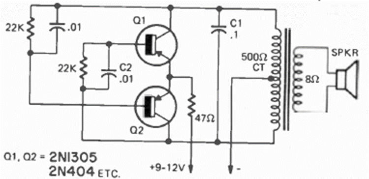
El circuito es adecuado para llamadas en un hogar y fue publicado en la revista Radio Electronics en septiembre de 1974. El transformador es para la salida de radios de transistores o amplificadores y los transistores son para propósito general.
Lo que describimos es un pequeño móvil que funciona con pilas comunes. El circuito consiste en un...
Cuando aprieta el gatillo (S1) y el relé abre y cierra los contactos rápidamente produciendo un ruido...
En los estudios de ciencias del primer grado y de física del segundo grado se describe un aparato...