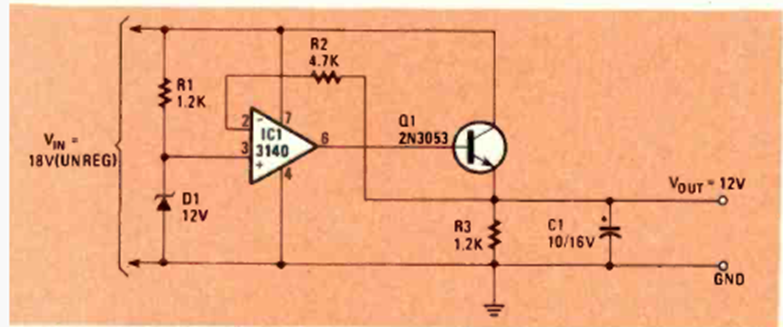
Este circuito es de una revista de Radio Electronics de julio de 1984. El transistor determina la corriente máxima y el diodo zener la tensión de salida. El transistor debe estar equipado con un disipador de calor.
Lo que describimos es un pequeño móvil que funciona con pilas comunes. El circuito consiste en un...
Cuando aprieta el gatillo (S1) y el relé abre y cierra los contactos rápidamente produciendo un ruido...
En los estudios de ciencias del primer grado y de física del segundo grado se describe un aparato...