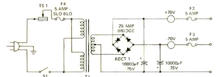
Este circuito es la fuente de alimentación del amplificador del circuito anterior. El transformador es de 5 A con una tensión de 45 V, obteniendo 70 V tras la rectificación.
Lo que describimos es un pequeño móvil que funciona con pilas comunes. El circuito consiste en un...
Cuando aprieta el gatillo (S1) y el relé abre y cierra los contactos rápidamente produciendo un ruido...
En los estudios de ciencias del primer grado y de física del segundo grado se describe un aparato...