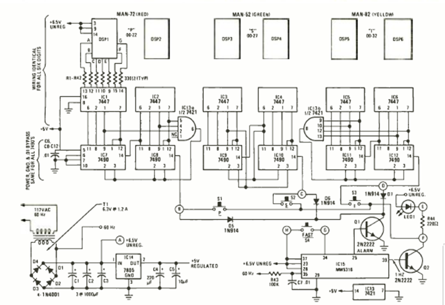
Encontrado en una revista de Radio Electronics de noviembre de 1977, este circuito digital fue descrito en un artículo que enseñaba cómo ensamblarlo. El circuito de 6 dígitos constaba de un reloj.
Lo que describimos es un pequeño móvil que funciona con pilas comunes. El circuito consiste en un...
Cuando aprieta el gatillo (S1) y el relé abre y cierra los contactos rápidamente produciendo un ruido...
En los estudios de ciencias del primer grado y de física del segundo grado se describe un aparato...