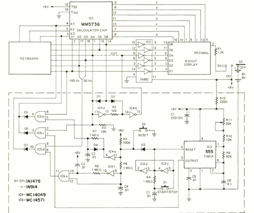
Este circuito fue encontrado en la revista Radio Electronics de febrero de 1976. Los componentes son de la época basados en el 555. La alimentación debe realizarse con las tensiones indicadas.
Lo que describimos es un pequeño móvil que funciona con pilas comunes. El circuito consiste en un...
Cuando aprieta el gatillo (S1) y el relé abre y cierra los contactos rápidamente produciendo un ruido...
En los estudios de ciencias del primer grado y de física del segundo grado se describe un aparato...