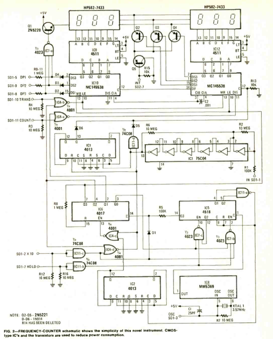
Encontramos este circuito en la revista Radio Electronics de octubre de 1978. El artículo de la revista describe su montaje. El circuito tiene 6 dígitos y utiliza componentes de período.
Se presenta una prueba simple de transistores NPN y PNP que, además de decir si el componente está bien,...
Si usted necesita un circuito para producir un tono continuo en un bocadillo o cápsula...
Cuando un pulso de luz incide en el LDR, este circuito dispara un temporizador monoestable 555 que acciona...