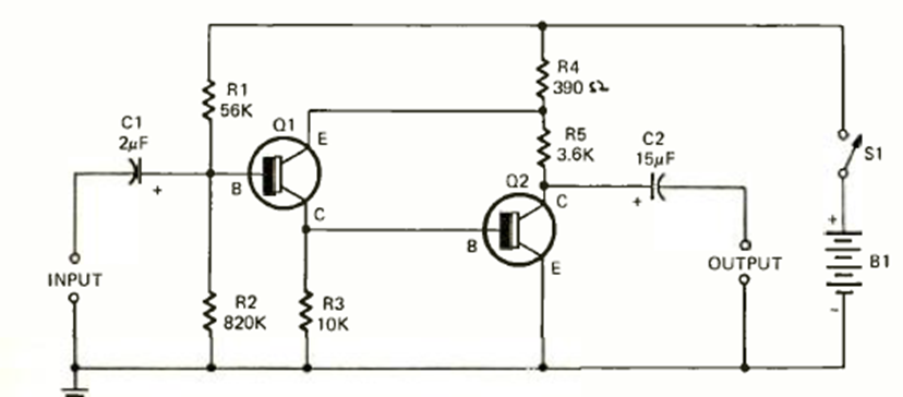
Esta configuración con dos transistores complementarios de propósito general se encontró en la revista Radio Electronics de diciembre de 1972. La alimentación está entre 6 y 12 V.
Se presenta una prueba simple de transistores NPN y PNP que, además de decir si el componente está bien,...
Si usted necesita un circuito para producir un tono continuo en un bocadillo o cápsula...
Cuando un pulso de luz incide en el LDR, este circuito dispara un temporizador monoestable 555 que acciona...