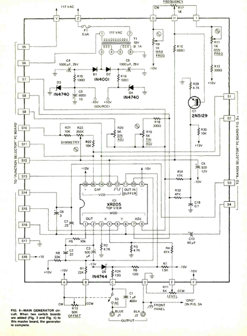
Este sofisticado circuito generador de funciones apareció en la revista Radio Electronics en septiembre de 1972. El circuito incluye la alimentación desde la red eléctrica.
Se presenta una prueba simple de transistores NPN y PNP que, además de decir si el componente está bien,...
Si usted necesita un circuito para producir un tono continuo en un bocadillo o cápsula...
Cuando un pulso de luz incide en el LDR, este circuito dispara un temporizador monoestable 555 que acciona...