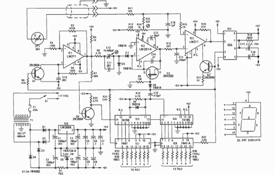
Este circuito fue encontrado en la revista Radio Electronics de septiembre de 1977. La fuente de alimentación está incluida y la lógica empleada es TTL.
El circuito presentado es sugerido por Motorola y consiste en un amplificador con impedancia muy alta de...
Este circuito oscila en el quinto armónico de la frecuencia del cristal utilizado. Se puede...
Este receptor pertenece a una publicación de 1922 de Hugo Gersnback. La bobina puede estar formada...