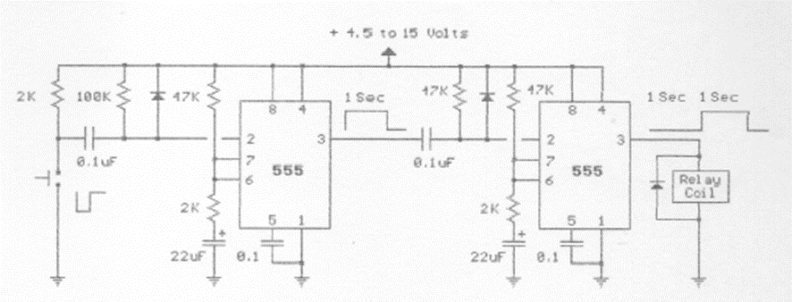
Este circuito común con el 555 se encontró en documentación de los años 90. El circuito usa dos 555 y los tiempos están dados por los capacitores en cada uno de los 555. El circuito activa un relé en 1 segundo. Produciendo un pulso de 1 segundo.
Se presenta una prueba simple de transistores NPN y PNP que, además de decir si el componente está bien,...
Si usted necesita un circuito para producir un tono continuo en un bocadillo o cápsula...
Cuando un pulso de luz incide en el LDR, este circuito dispara un temporizador monoestable 555 que acciona...