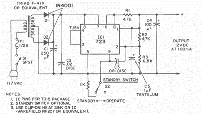
Usando el circuito integrado 723, esta fuente tiene la tensión determinada por R2 y R3, el cual se puede cambiar. El circuito es de una revista Radio Electronics de julio de 1971.
Se presenta una prueba simple de transistores NPN y PNP que, además de decir si el componente está bien,...
Si usted necesita un circuito para producir un tono continuo en un bocadillo o cápsula...
Cuando un pulso de luz incide en el LDR, este circuito dispara un temporizador monoestable 555 que acciona...