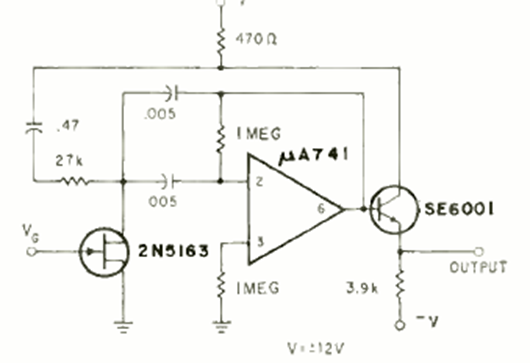
Este oscilador controlado por voltaje o VCO fue encontrado en una revista Radio Electronics de julio de 1970. El Operador debe ser alimentado por una fuente simétrica. La frecuencia depende de los capacitores.

Este oscilador controlado por voltaje o VCO fue encontrado en una revista Radio Electronics de julio de 1970. El Operador debe ser alimentado por una fuente simétrica. La frecuencia depende de los capacitores.
