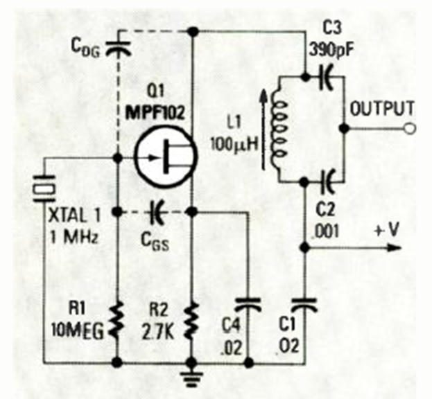
Este oscilador fue encontrado en la revista Radio Electronics de noviembre de 1986. La frecuencia depende del cristal y puede alcanzar varios megahertz. El transistor admite equivalentes.

Este oscilador fue encontrado en la revista Radio Electronics de noviembre de 1986. La frecuencia depende del cristal y puede alcanzar varios megahertz. El transistor admite equivalentes.
