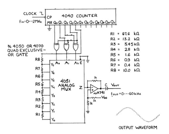
Encontramos este circuito generador de señales en la revista Radio Electronics de noviembre de 1978. El circuito emplea circuitos CMOS y tiene una frecuencia de entrada máxima de 2 MHz.
Me encontré este circuito en una revista francesa Radio Constructeur de 1968, salva de inundación (de...
Este circuito fue obtenido en una publicación sobre timers de Motorola de 1974. Los transistores admiten...
Este circuito detecta cuando una señal alcanza su valor máximo. La fuente debe ser simétrica y se...