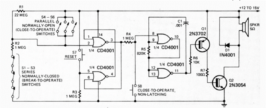
Esta alarma con sensores NO y NC fue encontrada en la revista Radio Electronics de enero de 1975. El circuito emite un sonido potente que depende del transistor de salida.
En el circuito de la figura tenemos una aplicación de un transistor como oscilador. Para ello,...
La acción rápida de conmutación del 4093 ayuda a obtener un circuito de interruptor nocturno que no se...
La frecuencia de este oscilador depende de los capacitores y valores típicos para los resistores son...