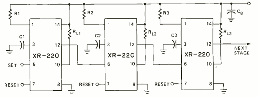
El XR220 es un circuito equivalente al 555 de los años 1970. Esta configuración de la revista Radio Electronics de octubre de 1972 muestra cómo usarlo en un temporizador secuencial. Resistores y capacitores determinan los tiempos de cada etapa.
Con la configuración de la figura 1 es posible aumentar la corriente de salida de una fuente con...
Si usted tiene un equipo portátil que opera con 6 V y desea utilizarlo en el coche o conectarlo a una...
El circuito mostrado en la figura 1 es una protección del tipo "Crow Bar" en la que el disparo...