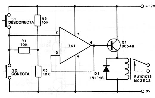
AI presionar S2 se acciona el relé y al presionar S1 se desactiva. La fuente es simple y el relé está de acuerdo con la tensión. Puede funcionar la misma versión con tensiones de 9V. El diodo en paralelo con el relé es de silicio para uso general como El 1N4148




